Submit manuscript...
MOJ
eISSN: 2576-4519

Applied Bionics and Biomechanics

Research Article Volume 9 Issue 1

Block diagram of a nano piezo engine for nanobionics

Afonin SM

National Research University of Electronic Technology, Russia

Correspondence: Afonin Sergey Mikhailovich, National Research University of Electronic Technology, MIET, 124498, Moscow, Russia

Received: October 21, 2025 | Published: November 25, 2025

Citation: Afonin SM. Block diagram of a nano piezo engine for nanobionics. MOJ App Bio Biomech. 2025;9(1):103-106. DOI: 10.15406/mojabb.2025.09.00234

Download PDF

Abstract

A nano piezo engine is used in nanobionics, nanotechnology scanning microscopy, delivery DNA, adaptive optics of compound telescope. The block diagram of a nano piezo engine for nanobionics is determined with using the equation of reverse piezo effect and the linear ordinary second-order differential equation. The matrix transfer function of a nano piezo engine is obtained. The block diagrams of the piezo engine with the back electromotive force at distributed and lumped parameters are determined in nanobionics. The block diagrams of a piezo engine are illustrated the process of converting electrical energy into mechanical energy, as opposed to Cady's and Mason's equivalent circuits.

Keywords: block diagram, nano piezo engine, nanobionics

Introduction

A nano piezo engine is used for actuation of systems for engine for nano displacement and delivery DNA in nanobionics. This piezo engine is used to actuate or control nano mechanisms and convert electrical energy into mechanical energy at the nanometric accuracy in laser systems, atomic force microscopes for nano displacement and compensation of vibration.1–12 By method mathematical physics the block diagram of a nano piezo engine is determined for nanobionics. The block diagram of a nano piezo engine is determined and visually show the transformation of electrical energy into mechanical energy in difference from Cady’s and Mason’s electrical equivalent circuits.6–12 The block diagram of a nano piezo engine for nanobionics is determined with using the equation of reverse piezo effect and the linear ordinary second-order differential equation. From the set of equations for the block diagram of a nano piezo engine the matrix transfer function is determined.11–25 For nanobionics with a nano piezo engine its matrix transfer function is obtained.

Мethod

By method mathematical physics the block diagram of a nano piezo engine is calculated for nanobionics research. The method mathematical physics is used to construct the block diagram of a nano piezo engine from the equation of reverse piezo effect and its ordinary differential equation for nanobionics. This block diagram of a nano piezo engine visually shows the process for the transformation of the electrical energy into the mechanical energy in difference from Cady’s and Mason’s circuits.6–12

Block diagram

A nano piezo engine in the form piezo plate is used for nanobionics, scanning microscopy, adaptive optics. The piezo plate transforms electrical energy to mechanical energy with using inverse piezo effect. A nano piezo engines are used for nano displacements along the X, Y, Z axes. The characteristics of a nano piezo engine for nanobionics are obtained by method mathematical physics.10–25

Piezo materials from lead zirconate and titanate PZT type ceramics are used for the production of piezo engines. The piezo effect in PZT ceramics appears after polarization in the strong constant electric field.12

Let us consider the process of determination of the block diagram of a nano piezo for nanobionics. For obtained the block diagram of a nano piezo engine we have the equation of reverse piezo effect and the second-order linear ordinary differential equation. The equation of the reverse piezo effect10–22 for the relative deformation has the form

S i = s ij Ψ T j + v mi Ψ m , MathType@MTEF@5@5@+= feaagKart1ev2aqatCvAUfeBSjuyZL2yd9gzLbvyNv2CaerbuLwBLn hiov2DGi1BTfMBaeXatLxBI9gBaerbujxzIv3yOvgDG00uaerbd9wD YLwzYbItLDharqqtubsr4rNCHbGeaGqkY=MjYJH8sqFD0xXdHaVhbb f9v8qqaqFr0xc9pk0xbba9q8WqFfea0=yr0RYxir=Jbba9q8aq0=yq =He9q8qqQ8frFve9Fve9Ff0dmeaabaqaciGacaGaaeaadaabaeaafa aakeaaqaaaaaaaaaWdbiaadofapaWaaSbaaSqaa8qacaWGPbaapaqa baGcpeGaeyypa0Jaam4Ca8aadaqhaaWcbaWdbiaadMgacaWGQbaapa qaa8qacqqHOoqwaaGccaWGubWdamaaBaaaleaapeGaamOAaaWdaeqa aOWdbiabgUcaRiaadAhapaWaaSbaaSqaa8qacaWGTbGaamyAaaWdae qaaOWdbiabfI6az9aadaWgaaWcbaWdbiaad2gaa8aabeaakiaacYca aaa@4E7E@

here s ij Ψ MathType@MTEF@5@5@+= feaagKart1ev2aqatCvAUfeBSjuyZL2yd9gzLbvyNv2CaerbuLwBLn hiov2DGi1BTfMBaeXatLxBI9gBaerbujxzIv3yOvgDG00uaerbd9wD YLwzYbItLDharqqtubsr4rNCHbGeaGqkY=MjYJH8sqFD0xXdHaVhbb f9v8qqaqFr0xc9pk0xbba9q8WqFfea0=yr0RYxir=Jbba9q8aq0=yq =He9q8qqQ8frFve9Fve9Ff0dmeaabaqaciGacaGaaeaadaabaeaafa aakeaaqaaaaaaaaaWdbiaadohapaWaa0baaSqaa8qacaWGPbGaamOA aaWdaeaapeGaeuiQdKfaaOGaeyOeI0caaa@4229@ the elastic compliances, v mi MathType@MTEF@5@5@+= feaagKart1ev2aqatCvAUfeBSjuyZL2yd9gzLbvyNv2CaerbuLwBLn hiov2DGi1BTfMBaeXatLxBI9gBaerbujxzIv3yOvgDG00uaerbd9wD YLwzYbItLDharqqtubsr4rNCHbGeaGqkY=MjYJH8sqFD0xXdHaVhbb f9v8qqaqFr0xc9pk0xbba9q8WqFfea0=yr0RYxir=Jbba9q8aq0=yq =He9q8qqQ8frFve9Fve9Ff0dmeaabaqaciGacaGaaeaadaabaeaafa aakeaaqaaaaaaaaaWdbiaadAhapaWaaSbaaSqaa8qacaWGTbGaamyA aaWdaeqaaOGaaGPaV=qacqGHsislaaa@422A@ the piezoelectric constant, Ψ m MathType@MTEF@5@5@+= feaagKart1ev2aqatCvAUfeBSjuyZL2yd9gzLbvyNv2CaerbuLwBLn hiov2DGi1BTfMBaeXatLxBI9gBaerbujxzIv3yOvgDG00uaerbd9wD YLwzYbItLDharqqtubsr4rNCHbGeaGqkY=MjYJH8sqFD0xXdHaVhbb f9v8qqaqFr0xc9pk0xbba9q8WqFfea0=yr0RYxir=Jbba9q8aq0=yq =He9q8qqQ8frFve9Fve9Ff0dmeaabaqaciGacaGaaeaadaabaeaafa aakeaaqaaaaaaaaaWdbiabfI6az9aadaWgaaWcbaWdbiaad2gaa8aa beaak8qacqGHsislaaa@4045@ the control parameter: the electric field strength, E MathType@MTEF@5@5@+= feaagKart1ev2aqatCvAUfeBSjuyZL2yd9gzLbvyNv2CaerbuLwBLn hiov2DGi1BTfMBaeXatLxBI9gBaerbujxzIv3yOvgDG00uaerbd9wD YLwzYbItLDharqqtubsr4rNCHbGeaGqkY=MjYJH8sqFD0xXdHaVhbb f9v8qqaqFr0xc9pk0xbba9q8WqFfea0=yr0RYxir=Jbba9q8aq0=yq =He9q8qqQ8frFve9Fve9Ff0dmeaabaqaciGacaGaaeaadaabaeaafa aakeaaqaaaaaaaaaWdbiaadweacqGHsislaaa@3E1A@ the electric induction, i,j,k MathType@MTEF@5@5@+= feaagKart1ev2aqatCvAUfeBSjuyZL2yd9gzLbvyNv2CaerbuLwBLn hiov2DGi1BTfMBaeXatLxBI9gBaerbujxzIv3yOvgDG00uaerbd9wD YLwzYbItLDharqqtubsr4rNCHbGeaGqkY=MjYJH8sqFD0xXdHaVhbb f9v8qqaqFr0xc9pk0xbba9q8WqFfea0=yr0RYxir=Jbba9q8aq0=yq =He9q8qqQ8frFve9Fve9Ff0dmeaabaqaciGacaGaaeaadaabaeaafa aakeaaqaaaaaaaaaWdbiaadMgacaGGSaGaamOAaiaacYcacaWGRbGa eyOeI0caaa@417D@ indexes.

 

For the dynamic process in the block diagram of a nano piezo engine the differential equation is established11

d 2 Ξ( x,p ) d x 2 γ 2 Ξ( x,p )=0, MathType@MTEF@5@5@+= feaagKart1ev2aqatCvAUfeBSjuyZL2yd9gzLbvyNv2CaerbuLwBLn hiov2DGi1BTfMBaeXatLxBI9gBaerbujxzIv3yOvgDG00uaerbd9wD YLwzYbItLDharqqtubsr4rNCHbGeaGqkY=MjYJH8sqFD0xXdHaVhbb f9v8qqaqFr0xc9pk0xbba9q8WqFfea0=yr0RYxir=Jbba9q8aq0=yq =He9q8qqQ8frFve9Fve9Ff0dmeaabaqaciGacaGaaeaadaabaeaafa aakeaaqaaaaaaaaaWdbmaalaaapaqaa8qacaWGKbWdamaaCaaaleqa baWdbiaabkdaaaGccqqHEoawdaqadaWdaeaapeGaamiEaiaacYcaca WGWbaacaGLOaGaayzkaaaapaqaa8qacaWGKbGaamiEa8aadaahaaWc beqaa8qacaqGYaaaaaaakiabgkHiTiabeo7aN9aadaahaaWcbeqaa8 qacaqGYaaaaOGaeuONdG1aaeWaa8aabaWdbiaadIhacaGGSaGaamiC aaGaayjkaiaawMcaaiabg2da9iaabcdacaqGSaaaaa@5339@

here γ Ψ =γ MathType@MTEF@5@5@+= feaagKart1ev2aqatCvAUfeBSjuyZL2yd9gzLbvyNv2CaerbuLwBLn hiov2DGi1BTfMBaeXatLxBI9gBaerbujxzIv3yOvgDG00uaerbd9wD YLwzYbItLDharqqtubsr4rNCHbGeaGqkY=MjYJH8sqFD0xXdHaVhbb f9v8qqaqFr0xc9pk0xbba9q8WqFfea0=yr0RYxir=Jbba9q8aq0=yq =He9q8qqQ8frFve9Fve9Ff0dmeaabaqaciGacaGaaeaadaabaeaafa aakeaaqaaaaaaaaaWdbiabeo7aN9aadaahaaWcbeqaa8qacqqHOoqw aaGccqGH9aqpcqaHZoWzcqGHsislaaa@4389@ the coefficient of wave propagation.

 

The solution of this differential equation is obtained in the form

Ξ( x,p )=C e γx +B e γx , MathType@MTEF@5@5@+= feaagKart1ev2aqatCvAUfeBSjuyZL2yd9gzLbvyNv2CaerbuLwBLn hiov2DGi1BTfMBaeXatLxBI9gBaerbujxzIv3yOvgDG00uaerbd9wD YLwzYbItLDharqqtubsr4rNCHbGeaGqkY=MjYJH8sqFD0xXdHaVhbb f9v8qqaqFr0xc9pk0xbba9q8WqFfea0=yr0RYxir=Jbba9q8aq0=yq =He9q8qqQ8frFve9Fve9Ff0dmeaabaqaciGacaGaaeaadaabaeaafa aakeaaqaaaaaaaaaWdbiabf65aynaabmaapaqaa8qacaWG4bGaaiil aiaadchaaiaawIcacaGLPaaacqGH9aqpcaWGdbGaamyza8aadaahaa Wcbeqaa8qacqGHsislcqaHZoWzcaWG4baaaOGaey4kaSIaamOqaiaa dwgapaWaaWbaaSqabeaapeGaeq4SdCMaamiEaaaak8aacaGGSaaaaa@4F1C@

here Ξ( x,p ) MathType@MTEF@5@5@+= feaagKart1ev2aqatCvAUfeBSjuyZL2yd9gzLbvyNv2CaerbuLwBLn hiov2DGi1BTfMBaeXatLxBI9gBaerbujxzIv3yOvgDG00uaerbd9wD YLwzYbItLDharqqtubsr4rNCHbGeaGqkY=MjYJH8sqFD0xXdHaVhbb f9v8qqaqFr0xc9pk0xbba9q8WqFfea0=yr0RYxir=Jbba9q8aq0=yq =He9q8qqQ8frFve9Fve9Ff0dmeaabaqaciGacaGaaeaadaabaeaafa aakeaaqaaaaaaaaaWdbiabf65aynaabmaapaqaa8qacaWG4bGaaiil aiaadchaaiaawIcacaGLPaaaaaa@4231@ is the Laplace transform of the displacement, x is the coordinate, p is the operator.

 

Accordingly, to solve the differential equation, the coefficients C and B are derived as follows

C=( Ξ 1 e γl Ξ 2 )/[ 2sh( γl ) ],B=( Ξ 2 Ξ 1 e γl )/[ 2sh( γl ) ]. MathType@MTEF@5@5@+= feaagKart1ev2aqatCvAUfeBSjuyZL2yd9gzLbvyNv2CaerbuLwBLn hiov2DGi1BTfMBaeXatLxBI9gBaerbujxzIv3yOvgDG00uaerbd9wD YLwzYbItLDharqqtubsr4rNCHbGeaGqkY=MjYJH8sqFD0xXdHaVhbb f9v8qqaqFr0xc9pk0xbba9q8WqFfea0=yr0RYxir=Jbba9q8aq0=yq =He9q8qqQ8frFve9Fve9Ff0dmeaabaqaciGacaGaaeaadaabaeaafa aakeaaqaaaaaaaaaWdbiaadoeacqGH9aqpdaqadaWdaeaapeGaeuON dG1damaaBaaaleaapeGaaeymaaWdaeqaaOWdbiaadwgapaWaaWbaaS qabeaapeGaeq4SdCMaamiBaaaakiabgkHiTiabf65ay9aadaWgaaWc baWdbiaabkdaa8aabeaaaOWdbiaawIcacaGLPaaacaGGVaWaamWaa8 aabaWdbiaabkdacaqGZbGaaeiAamaabmaapaqaa8qacqaHZoWzcaWG SbaacaGLOaGaayzkaaaacaGLBbGaayzxaaGaaiilaiaaykW7caWGcb Gaeyypa0ZaaeWaa8aabaWdbiabf65ay9aadaWgaaWcbaWdbiaabkda a8aabeaak8qacqGHsislcqqHEoawpaWaaSbaaSqaa8qacaqGXaaapa qabaGcpeGaamyza8aadaahaaWcbeqaa8qacqGHsislcqaHZoWzcaWG SbaaaaGccaGLOaGaayzkaaGaai4lamaadmaapaqaa8qacaqGYaGaae 4CaiaabIgadaqadaWdaeaapeGaeq4SdCMaamiBaaGaayjkaiaawMca aaGaay5waiaaw2faaiaac6caaaa@6E98@

For practical use, the solution to this differential equation can be expressed in the form

Ξ( x,p )={ Ξ 1 ( p )sh[ γ( lx ) ]+ Ξ 2 ( p )sh( γx ) }/sh( γl ). MathType@MTEF@5@5@+= feaagKart1ev2aqatCvAUfeBSjuyZL2yd9gzLbvyNv2CaerbuLwBLn hiov2DGi1BTfMBaeXatLxBI9gBaerbujxzIv3yOvgDG00uaerbd9wD YLwzYbItLDharqqtubsr4rNCHbGeaGqkY=MjYJH8sqFD0xXdHaVhbb f9v8qqaqFr0xc9pk0xbba9q8WqFfea0=yr0RYxir=Jbba9q8aq0=yq =He9q8qqQ8frFve9Fve9Ff0dmeaabaqaciGacaGaaeaadaabaeaafa aakeaaqaaaaaaaaaWdbiabf65aynaabmaapaqaa8qacaWG4bGaaiil aiaadchaaiaawIcacaGLPaaacqGH9aqpdaGadaWdaeaapeGaeuONdG 1damaaBaaaleaapeGaaeymaaWdaeqaaOWdbmaabmaapaqaa8qacaWG WbaacaGLOaGaayzkaaGaae4CaiaabIgadaWadaWdaeaapeGaeq4SdC 2aaeWaa8aabaWdbiaadYgacqGHsislcaWG4baacaGLOaGaayzkaaaa caGLBbGaayzxaaGaey4kaSIaeuONdG1damaaBaaaleaapeGaaeOmaa WdaeqaaOWdbmaabmaapaqaa8qacaWGWbaacaGLOaGaayzkaaGaae4C aiaabIgadaqadaWdaeaapeGaeq4SdCMaamiEaaGaayjkaiaawMcaaa Gaay5Eaiaaw2haaiaac+cacaqGZbGaaeiAamaabmaapaqaa8qacqaH ZoWzcaWGSbaacaGLOaGaayzkaaGaaiOlaaaa@68CB@

In general, the two equations for the forces acting on the two faces of a nano piezo engine can be derived as follows:

T j ( 0,p ) S 0 = F 1 ( p )+ M 1 p 2 Ξ 1 ( p ) MathType@MTEF@5@5@+= feaagKart1ev2aqatCvAUfeBSjuyZL2yd9gzLbvyNv2CaerbuLwBLn hiov2DGi1BTfMBaeXatLxBI9gBaerbujxzIv3yOvgDG00uaerbd9wD YLwzYbItLDharqqtubsr4rNCHbGeaGqkY=MjYJH8sqFD0xXdHaVhbb f9v8qqaqFr0xc9pk0xbba9q8WqFfea0=yr0RYxir=Jbba9q8aq0=yq =He9q8qqQ8frFve9Fve9Ff0dmeaabaqaciGacaGaaeaadaabaeaafa aakeaaqaaaaaaaaaWdbiaadsfapaWaaSbaaSqaa8qacaWGQbaapaqa baGcpeWaaeWaa8aabaWdbiaabcdacaGGSaGaamiCaaGaayjkaiaawM caaiaadofapaWaaSbaaSqaa8qacaqGWaaapaqabaGcpeGaeyypa0Ja amOra8aadaWgaaWcbaWdbiaabgdaa8aabeaak8qadaqadaWdaeaape GaamiCaaGaayjkaiaawMcaaiabgUcaRiaad2eapaWaaSbaaSqaa8qa caqGXaaapaqabaGcpeGaamiCa8aadaahaaWcbeqaa8qacaqGYaaaaO GaeuONdG1damaaBaaaleaapeGaaeymaaWdaeqaaOWdbmaabmaapaqa a8qacaWGWbaacaGLOaGaayzkaaaaaa@5459@ at x = 0;

T j ( l,p ) S 0 = F 2 ( p ) M 2 p 2 Ξ 2 ( p ) MathType@MTEF@5@5@+= feaagKart1ev2aqatCvAUfeBSjuyZL2yd9gzLbvyNv2CaerbuLwBLn hiov2DGi1BTfMBaeXatLxBI9gBaerbujxzIv3yOvgDG00uaerbd9wD YLwzYbItLDharqqtubsr4rNCHbGeaGqkY=MjYJH8sqFD0xXdHaVhbb f9v8qqaqFr0xc9pk0xbba9q8WqFfea0=yr0RYxir=Jbba9q8aq0=yq =He9q8qqQ8frFve9Fve9Ff0dmeaabaqaciGacaGaaeaadaabaeaafa aakeaaqaaaaaaaaaWdbiaadsfapaWaaSbaaSqaa8qacaWGQbaapaqa baGcpeWaaeWaa8aabaWdbiaadYgacaGGSaGaamiCaaGaayjkaiaawM caaiaadofapaWaaSbaaSqaa8qacaqGWaaapaqabaGcpeGaeyypa0Ja eyOeI0IaamOra8aadaWgaaWcbaWdbiaabkdaa8aabeaak8qadaqada WdaeaapeGaamiCaaGaayjkaiaawMcaaiabgkHiTiaad2eapaWaaSba aSqaa8qacaqGYaaapaqabaGcpeGaamiCa8aadaahaaWcbeqaa8qaca qGYaaaaOGaeuONdG1damaaBaaaleaapeGaaeOmaaWdaeqaaOWdbmaa bmaapaqaa8qacaWGWbaacaGLOaGaayzkaaaaaa@5592@ at x = l.

 

Accordingly, the two equations for mechanical stresses acting on the two faces of a nano piezo engine are determined

T j ( 0,p )= 1 s ij Ψ d Ξ 1 ( p ) dx ν mi s ij Ψ E m ( p ); MathType@MTEF@5@5@+= feaagKart1ev2aaatCvAUfeBSjuyZL2yd9gzLbvyNv2CaerbuLwBLn hiov2DGi1BTfMBaeXatLxBI9gBaerbujxzIv3yOvgDG00uaerbd9wD YLwzYbItLDharqqtubsr4rNCHbGeaGqkY=MjYJH8sqFD0xXdHaVhbb f9v8qqaqFr0xc9pk0xbba9q8WqFfea0=yr0RYxir=Jbba9q8aq0=yq =He9q8qqQ8frFve9Fve9Ff0dmeaabaqaciGacaGaaeaadaabaeaafa aakeaaqaaaaaaaaaWdbiaadsfapaWaaSbaaSqaa8qacaWGQbaapaqa baGcpeWaaeWaa8aabaWdbiaabcdacaGGSaGaamiCaaGaayjkaiaawM caaiabg2da9maalaaapaqaa8qacaqGXaaapaqaa8qacaWGZbWdamaa DaaaleaapeGaamyAaiaadQgaa8aabaWdbiabfI6azbaaaaGcdaWcaa WdaeaapeGaamizaiabf65ay9aadaWgaaWcbaWdbiaabgdaa8aabeaa k8qadaqadaWdaeaapeGaamiCaaGaayjkaiaawMcaaaWdaeaapeGaam izaiaadIhaaaGaeyOeI0YaaSaaa8aabaWdbiabe27aU9aadaWgaaWc baWdbiaad2gacaWGPbaapaqabaaakeaapeGaam4Ca8aadaqhaaWcba WdbiaadMgacaWGQbaapaqaa8qacqqHOoqwaaaaaOGaamyra8aadaWg aaWcbaWdbiaad2gaa8aabeaak8qadaqadaWdaeaapeGaamiCaaGaay jkaiaawMcaaiaacUdaaaa@6172@ T j ( l,p )= 1 s ij Ψ d Ξ 2 ( p ) dx ν mi s ij Ψ E m ( p ). MathType@MTEF@5@5@+= feaagKart1ev2aaatCvAUfeBSjuyZL2yd9gzLbvyNv2CaerbuLwBLn hiov2DGi1BTfMBaeXatLxBI9gBaerbujxzIv3yOvgDG00uaerbd9wD YLwzYbItLDharqqtubsr4rNCHbGeaGqkY=MjYJH8sqFD0xXdHaVhbb f9v8qqaqFr0xc9pk0xbba9q8WqFfea0=yr0RYxir=Jbba9q8aq0=yq =He9q8qqQ8frFve9Fve9Ff0dmeaabaqaciGacaGaaeaadaabaeaafa aakeaaqaaaaaaaaaWdbiaadsfapaWaaSbaaSqaa8qacaWGQbaapaqa baGcpeWaaeWaa8aabaWdbiaadYgacaGGSaGaamiCaaGaayjkaiaawM caaiabg2da9maalaaapaqaa8qacaqGXaaapaqaa8qacaWGZbWdamaa DaaaleaapeGaamyAaiaadQgaa8aabaWdbiabfI6azbaaaaGcdaWcaa WdaeaapeGaamizaiabf65ay9aadaWgaaWcbaWdbiaabkdaa8aabeaa k8qadaqadaWdaeaapeGaamiCaaGaayjkaiaawMcaaaWdaeaapeGaam izaiaadIhaaaGaeyOeI0YaaSaaa8aabaWdbiabe27aU9aadaWgaaWc baWdbiaad2gacaWGPbaapaqabaaakeaapeGaam4Ca8aadaqhaaWcba WdbiaadMgacaWGQbaapaqaa8qacqqHOoqwaaaaaOGaamyra8aadaWg aaWcbaWdbiaad2gaa8aabeaak8qadaqadaWdaeaapeGaamiCaaGaay jkaiaawMcaaiaac6caaaa@61A4@

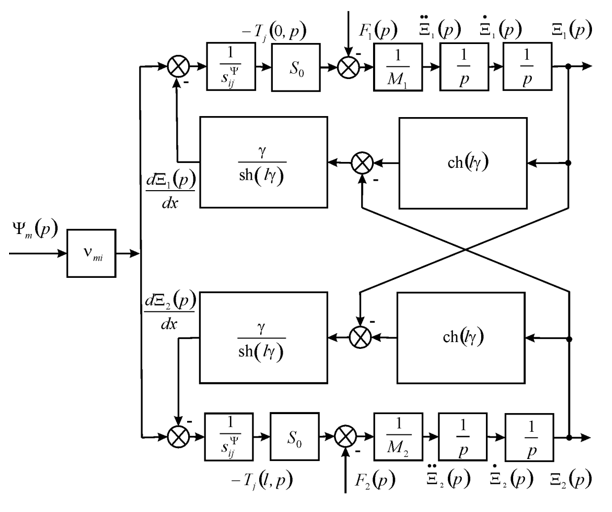
In general, we have the block diagram of a nano piezo engine at distributed parameters on Figure 1

Ξ 1 ( p )=[ 1/( M 1 p 2 ) ]{ F 1 ( p )+( 1/ χ ij Ψ ) ×[ ν mi Ψ m ( p )[ γ/sh( γl ) ][ ch( γl ) Ξ 1 ( p ) Ξ 2 ( p ) ] ] }; MathType@MTEF@5@5@+= feaagKart1ev2aaatCvAUfeBSjuyZL2yd9gzLbvyNv2CaerbuLwBLn hiov2DGi1BTfMBaeXatLxBI9gBaerbujxzIv3yOvgDG00uaerbd9wD YLwzYbItLDharqqtubsr4rNCHbGeaGqkY=MjYJH8sqFD0xXdHaVhbb f9v8qqaqFr0xc9pk0xbba9q8WqFfea0=yr0RYxir=Jbba9q8aq0=yq =He9q8qqQ8frFve9Fve9Ff0dmeaabaqaciGacaGaaeaadaabaeaafa aakeaaqaaaaaaaaaWdbiabf65ay9aadaWgaaWcbaWdbiaabgdaa8aa beaak8qadaqadaWdaeaapeGaamiCaaGaayjkaiaawMcaaiabg2da9m aadmaapaqaa8qacaqGXaGaai4lamaabmaapaqaa8qacaWGnbWdamaa BaaaleaapeGaaGymaaWdaeqaaOWdbiaadchapaWaaWbaaSqabeaape GaaeOmaaaaaOGaayjkaiaawMcaaaGaay5waiaaw2faaiaaykW7daGa daabaeqabaGaeyOeI0IaamOra8aadaWgaaWcbaWdbiaabgdaa8aabe aak8qadaqadaWdaeaapeGaamiCaaGaayjkaiaawMcaaiabgUcaRmaa bmaapaqaa8qacaqGXaGaai4laiabeE8aJ9aadaqhaaWcbaWdbiaadM gacaWGQbaapaqaa8qacqqHOoqwaaaakiaawIcacaGLPaaaaeaacqGH xdaTdaWadaWdaeaapeGaeqyVd42damaaBaaaleaapeGaamyBaiaadM gaa8aabeaak8qacqqHOoqwpaWaaSbaaSqaa8qacaWGTbaapaqabaGc peWaaeWaa8aabaWdbiaadchaaiaawIcacaGLPaaacqGHsisldaWada WdaeaapeGaeq4SdCMaai4laiaabohacaqGObWaaeWaa8aabaWdbiab eo7aNjaadYgaaiaawIcacaGLPaaaaiaawUfacaGLDbaadaWadaWdae aapeGaae4yaiaabIgadaqadaWdaeaapeGaeq4SdCMaamiBaaGaayjk aiaawMcaaiabf65ay9aadaWgaaWcbaWdbiaabgdaa8aabeaak8qada qadaWdaeaapeGaamiCaaGaayjkaiaawMcaaiabgkHiTiabf65ay9aa daWgaaWcbaWdbiaabkdaa8aabeaak8qadaqadaWdaeaapeGaamiCaa GaayjkaiaawMcaaaGaay5waiaaw2faaaGaay5waiaaw2faaaaacaGL 7bGaayzFaaGaai4oaaaa@8C3B@ Ξ 2 ( p )=[ 1/( M 2 p 2 ) ]{ F 2 ( p )+( 1/ χ ij Ψ ) ×[ ν mi Ψ m ( p )[ γ/sh( γl ) ][ ch( γl ) Ξ 2 ( p ) Ξ 1 ( p ) ] ] }, MathType@MTEF@5@5@+= feaagKart1ev2aaatCvAUfeBSjuyZL2yd9gzLbvyNv2CaerbuLwBLn hiov2DGi1BTfMBaeXatLxBI9gBaerbujxzIv3yOvgDG00uaerbd9wD YLwzYbItLDharqqtubsr4rNCHbGeaGqkY=MjYJH8sqFD0xXdHaVhbb f9v8qqaqFr0xc9pk0xbba9q8WqFfea0=yr0RYxir=Jbba9q8aq0=yq =He9q8qqQ8frFve9Fve9Ff0dmeaabaqaciGacaGaaeaadaabaeaafa aakeaaqaaaaaaaaaWdbiabf65ay9aadaWgaaWcbaWdbiaabkdaa8aa beaak8qadaqadaWdaeaapeGaamiCaaGaayjkaiaawMcaaiabg2da9m aadmaapaqaa8qacaqGXaGaai4lamaabmaapaqaa8qacaWGnbWdamaa BaaaleaapeGaaeOmaaWdaeqaaOWdbiaadchapaWaaWbaaSqabeaape GaaeOmaaaaaOGaayjkaiaawMcaaaGaay5waiaaw2faamaacmaaeaqa beaacqGHsislcaWGgbWdamaaBaaaleaapeGaaeOmaaWdaeqaaOWdbm aabmaapaqaa8qacaWGWbaacaGLOaGaayzkaaGaey4kaSYaaeWaa8aa baWdbiaabgdacaGGVaGaeq4Xdm2damaaDaaaleaapeGaamyAaiaadQ gaa8aabaWdbiabfI6azbaaaOGaayjkaiaawMcaaaqaaiabgEna0oaa dmaapaqaa8qacqaH9oGBpaWaaSbaaSqaa8qacaWGTbGaamyAaaWdae qaaOWdbiabfI6az9aadaWgaaWcbaWdbiaad2gaa8aabeaak8qadaqa daWdaeaapeGaamiCaaGaayjkaiaawMcaaiabgkHiTmaadmaapaqaa8 qacqaHZoWzcaGGVaGaae4CaiaabIgadaqadaWdaeaapeGaeq4SdCMa amiBaaGaayjkaiaawMcaaaGaay5waiaaw2faamaadmaapaqaa8qaca qGJbGaaeiAamaabmaapaqaa8qacqaHZoWzcaWGSbaacaGLOaGaayzk aaGaeuONdG1damaaBaaaleaapeGaaeOmaaWdaeqaaOWdbmaabmaapa qaa8qacaWGWbaacaGLOaGaayzkaaGaeyOeI0IaeuONdG1damaaBaaa leaapeGaaeymaaWdaeqaaOWdbmaabmaapaqaa8qacaWGWbaacaGLOa GaayzkaaaacaGLBbGaayzxaaaacaGLBbGaayzxaaaaaiaawUhacaGL 9baacaGGSaaaaa@8A9D@

here χ ij Ψ = s ij Ψ / S 0 , MathType@MTEF@5@5@+= feaagKart1ev2aaatCvAUfeBSjuyZL2yd9gzLbvyNv2CaerbuLwBLn hiov2DGi1BTfMBaeXatLxBI9gBaerbujxzIv3yOvgDG00uaerbd9wD YLwzYbItLDharqqtubsr4rNCHbGeaGqkY=MjYJH8sqFD0xXdHaVhbb f9v8qqaqFr0xc9pk0xbba9q8WqFfea0=yr0RYxir=Jbba9q8aq0=yq =He9q8qqQ8frFve9Fve9Ff0dmeaabaqaciGacaGaaeaadaabaeaafa aakeaaqaaaaaaaaaWdbiabeE8aJ9aadaqhaaWcbaWdbiaadMgacaWG Qbaapaqaa8qacqqHOoqwaaGccqGH9aqpcaWGZbWdamaaDaaaleaape GaamyAaiaadQgaa8aabaWdbiabfI6azbaakiaac+cacaWGtbWdamaa BaaaleaapeGaaeimaaWdaeqaaOGaaiilaaaa@4B2B@ s ij Ψ ={ s 33 E , s 11 E , s 55 E s 33 D , s 11 D , s 55 D  , MathType@MTEF@5@5@+= feaagKart1ev2aaatCvAUfeBSjuyZL2yd9gzLbvyNv2CaerbuLwBLn hiov2DGi1BTfMBaeXatLxBI9gBaerbujxzIv3yOvgDG00uaerbd9wD YLwzYbItLDharqqtubsr4rNCHbGeaGqkY=MjYJH8sqFD0xXdHaVhbb f9v8qqaqFr0xc9pk0xbba9q8WqFfea0=yr0RYxir=Jbba9q8aq0=yq =He9q8qqQ8frFve9Fve9Ff0dmeaabaqaciGacaGaaeaadaabaeaafa aakeaaqaaaaaaaaaWdbiaadohapaWaa0baaSqaa8qacaWGPbGaamOA aaWdaeaapeGaeuiQdKfaaOGaeyypa0Zaaiqaa8aabaqbaeqabiqaaa qaa8qacaWGZbWdamaaDaaaleaapeGaae4maiaabodaa8aabaWdbiaa dweaaaGccaGGSaGaam4Ca8aadaqhaaWcbaWdbiaabgdacaqGXaaapa qaa8qacaWGfbaaaOGaaiilaiaadohapaWaa0baaSqaa8qacaqG1aGa aeynaaWdaeaapeGaamyraaaaaOWdaeaapeGaam4Ca8aadaqhaaWcba WdbiaabodacaqGZaaapaqaa8qacaWGebaaaOGaaiilaiaadohapaWa a0baaSqaa8qacaqGXaGaaeymaaWdaeaapeGaamiraaaakiaacYcaca WGZbWdamaaDaaaleaapeGaaeynaiaabwdaa8aabaWdbiaadseaaaaa aaGccaGL7baacaGGGcGaaiilaaaa@5E09@ v mi ={ d 33 , d 31 , d 15 g 33 , g 31 , g 15 , MathType@MTEF@5@5@+= feaagKart1ev2aaatCvAUfeBSjuyZL2yd9gzLbvyNv2CaerbuLwBLn hiov2DGi1BTfMBaeXatLxBI9gBaerbujxzIv3yOvgDG00uaerbd9wD YLwzYbItLDharqqtubsr4rNCHbGeaGqkY=MjYJH8sqFD0xXdHaVhbb f9v8qqaqFr0xc9pk0xbba9q8WqFfea0=yr0RYxir=Jbba9q8aq0=yq =He9q8qqQ8frFve9Fve9Ff0dmeaabaqaciGacaGaaeaadaabaeaafa aakeaaqaaaaaaaaaWdbiaadAhapaWaaSbaaSqaa8qacaWGTbGaamyA aaWdaeqaaOWdbiabg2da9maaceaapaqaauaabeqaceaaaeaapeGaam iza8aadaWgaaWcbaWdbiaabodacaqGZaaapaqabaGcpeGaaiilaiaa dsgapaWaaSbaaSqaa8qacaqGZaGaaeymaaWdaeqaaOWdbiaacYcaca WGKbWdamaaBaaaleaapeGaaeymaiaabwdaa8aabeaaaOqaa8qacaWG NbWdamaaBaaaleaapeGaae4maiaabodaa8aabeaak8qacaGGSaGaam 4za8aadaWgaaWcbaWdbiaabodacaqGXaaapaqabaGcpeGaaiilaiaa dEgapaWaaSbaaSqaa8qacaqGXaGaaeynaaWdaeqaaaaaaOWdbiaawU haaiaacYcaaaa@5628@ Ψ m ={ E 3 , E 3 , E 1 D 3 , D 3 , D 1   , MathType@MTEF@5@5@+= feaagKart1ev2aaatCvAUfeBSjuyZL2yd9gzLbvyNv2CaerbuLwBLn hiov2DGi1BTfMBaeXatLxBI9gBaerbujxzIv3yOvgDG00uaerbd9wD YLwzYbItLDharqqtubsr4rNCHbGeaGqkY=MjYJH8sqFD0xXdHaVhbb f9v8qqaqFr0xc9pk0xbba9q8WqFfea0=yr0RYxir=Jbba9q8aq0=yq =He9q8qqQ8frFve9Fve9Ff0dmeaabaqaciGacaGaaeaadaabaeaafa aakeaaqaaaaaaaaaWdbiabfI6az9aadaWgaaWcbaWdbiaad2gaa8aa beaak8qacqGH9aqpdaGabaWdaeaafaqabeGabaaabaWdbiaadweapa WaaSbaaSqaa8qacaqGZaaapaqabaGcpeGaaiilaiaadweapaWaaSba aSqaa8qacaqGZaaapaqabaGcpeGaaiilaiaadweapaWaaSbaaSqaa8 qacaqGXaaapaqabaaakeaapeGaamira8aadaWgaaWcbaWdbiaaboda a8aabeaak8qacaGGSaGaamira8aadaWgaaWcbaWdbiaabodaa8aabe aak8qacaGGSaGaamira8aadaWgaaWcbaWdbiaabgdaa8aabeaaaaGc peGaaiiOaaGaay5EaaGaaiilaaaa@51E8@

length engine, i = 1, 2, … , 6,  j = 1, 2, … , 6,  m = 1, 2, 3.

Accordingly, from the block diagram of a nano piezo engine at distributed parameters on Figure 1 we have the equations

Figure 1 Block diagram nano piezo engine at distributed parameters for mechatronics.

Ξ 1 ( p )= W 11 ( p ) Ψ m ( p )+ W 12 ( p ) F 1 ( p )+ W 13 ( p ) F 2 ( p ); MathType@MTEF@5@5@+= feaagKart1ev2aqatCvAUfeBSjuyZL2yd9gzLbvyNv2CaerbuLwBLn hiov2DGi1BTfMBaeXatLxBI9gBaerbujxzIv3yOvgDG00uaerbd9wD YLwzYbItLDharqqtubsr4rNCHbGeaGqkY=MjYJH8sqFD0xXdHaVhbb f9v8qqaqFr0xc9pk0xbba9q8WqFfea0=yr0RYxir=Jbba9q8aq0=yq =He9q8qqQ8frFve9Fve9Ff0dmeaabaqaciGacaGaaeaadaabaeaafa aakeaaqaaaaaaaaaWdbiabf65ay9aadaWgaaWcbaWdbiaabgdaa8aa beaak8qadaqadaWdaeaapeGaamiCaaGaayjkaiaawMcaaiabg2da9i aadEfapaWaaSbaaSqaa8qacaqGXaGaaeymaaWdaeqaaOWdbmaabmaa paqaa8qacaWGWbaacaGLOaGaayzkaaGaeuiQdK1damaaBaaaleaape GaamyBaaWdaeqaaOWdbmaabmaapaqaa8qacaWGWbaacaGLOaGaayzk aaGaey4kaSIaam4va8aadaWgaaWcbaWdbiaabgdacaqGYaaapaqaba GcpeWaaeWaa8aabaWdbiaadchaaiaawIcacaGLPaaacaWGgbWdamaa BaaaleaapeGaaeymaaWdaeqaaOWdbmaabmaapaqaa8qacaWGWbaaca GLOaGaayzkaaGaey4kaSIaam4va8aadaWgaaWcbaWdbiaabgdacaqG ZaaapaqabaGcpeWaaeWaa8aabaWdbiaadchaaiaawIcacaGLPaaaca WGgbWdamaaBaaaleaapeGaaeOmaaWdaeqaaOWdbmaabmaapaqaa8qa caWGWbaacaGLOaGaayzkaaGaai4oaaaa@63EA@ Ξ 2 ( p )= W 21 ( p ) Ψ m ( p )+ W 22 ( p ) F 1 ( p )+ W 23 ( p ) F 2 ( p ), MathType@MTEF@5@5@+= feaagKart1ev2aqatCvAUfeBSjuyZL2yd9gzLbvyNv2CaerbuLwBLn hiov2DGi1BTfMBaeXatLxBI9gBaerbujxzIv3yOvgDG00uaerbd9wD YLwzYbItLDharqqtubsr4rNCHbGeaGqkY=MjYJH8sqFD0xXdHaVhbb f9v8qqaqFr0xc9pk0xbba9q8WqFfea0=yr0RYxir=Jbba9q8aq0=yq =He9q8qqQ8frFve9Fve9Ff0dmeaabaqaciGacaGaaeaadaabaeaafa aakeaaqaaaaaaaaaWdbiabf65ay9aadaWgaaWcbaWdbiaabkdaa8aa beaak8qadaqadaWdaeaapeGaamiCaaGaayjkaiaawMcaaiabg2da9i aadEfapaWaaSbaaSqaa8qacaqGYaGaaeymaaWdaeqaaOWdbmaabmaa paqaa8qacaWGWbaacaGLOaGaayzkaaGaeuiQdK1damaaBaaaleaape GaamyBaaWdaeqaaOWdbmaabmaapaqaa8qacaWGWbaacaGLOaGaayzk aaGaey4kaSIaam4va8aadaWgaaWcbaWdbiaabkdacaqGYaaapaqaba GcpeWaaeWaa8aabaWdbiaadchaaiaawIcacaGLPaaacaWGgbWdamaa BaaaleaapeGaaeymaaWdaeqaaOWdbmaabmaapaqaa8qacaWGWbaaca GLOaGaayzkaaGaey4kaSIaam4va8aadaWgaaWcbaWdbiaabkdacaqG ZaaapaqabaGcpeWaaeWaa8aabaWdbiaadchaaiaawIcacaGLPaaaca WGgbWdamaaBaaaleaapeGaaeOmaaWdaeqaaOWdbmaabmaapaqaa8qa caWGWbaacaGLOaGaayzkaaGaaiilaaaa@63DF@

with the matrix equation and the matrix transfer function in the form

( Ξ 1 ( p ) Ξ 2 ( p ) )=( W 11 ( p ) W 12 ( p ) W 13 ( p ) W 21 ( p ) W 22 ( p ) W 23 ( p ) )( Ψ m ( p ) F 1 ( p ) F 2 ( p ) ), MathType@MTEF@5@5@+= feaagKart1ev2aqatCvAUfeBSjuyZL2yd9gzLbvyNv2CaerbuLwBLn hiov2DGi1BTfMBaeXatLxBI9gBaerbujxzIv3yOvgDG00uaerbd9wD YLwzYbItLDharqqtubsr4rNCHbGeaGqkY=MjYJH8sqFD0xXdHaVhbb f9v8qqaqFr0xc9pk0xbba9q8WqFfea0=yr0RYxir=Jbba9q8aq0=yq =He9q8qqQ8frFve9Fve9Ff0dmeaabaqaciGacaGaaeaadaabaeaafa aakeaaqaaaaaaaaaWdbmaabmaapaqaauaabeqaceaaaeaapeGaeuON dG1damaaBaaaleaapeGaaeymaaWdaeqaaOWdbmaabmaapaqaa8qaca WGWbaacaGLOaGaayzkaaaapaqaa8qacqqHEoawpaWaaSbaaSqaa8qa caqGYaaapaqabaGcpeWaaeWaa8aabaWdbiaadchaaiaawIcacaGLPa aaaaaacaGLOaGaayzkaaGaeyypa0ZaaeWaa8aabaqbaeqabiqaaaqa auaabeqabmaaaeaapeGaam4va8aadaWgaaWcbaWdbiaabgdacaqGXa aapaqabaGcpeWaaeWaa8aabaWdbiaadchaaiaawIcacaGLPaaaa8aa baWdbiaadEfapaWaaSbaaSqaa8qacaqGXaGaaeOmaaWdaeqaaOWdbm aabmaapaqaa8qacaWGWbaacaGLOaGaayzkaaaapaqaa8qacaWGxbWd amaaBaaaleaapeGaaeymaiaabodaa8aabeaak8qadaqadaWdaeaape GaamiCaaGaayjkaiaawMcaaaaaa8aabaqbaeqabeWaaaqaa8qacaWG xbWdamaaBaaaleaapeGaaeOmaiaabgdaa8aabeaak8qadaqadaWdae aapeGaamiCaaGaayjkaiaawMcaaaWdaeaapeGaam4va8aadaWgaaWc baWdbiaabkdacaqGYaaapaqabaGcpeWaaeWaa8aabaWdbiaadchaai aawIcacaGLPaaaa8aabaWdbiaadEfapaWaaSbaaSqaa8qacaqGYaGa ae4maaWdaeqaaOWdbmaabmaapaqaa8qacaWGWbaacaGLOaGaayzkaa aaaaaaaiaawIcacaGLPaaacaaMe8+aaeWaa8aabaqbaeqabmqaaaqa a8qacqqHOoqwpaWaaSbaaSqaa8qacaWGTbaapaqabaGcpeWaaeWaa8 aabaWdbiaadchaaiaawIcacaGLPaaaa8aabaWdbiaadAeapaWaaSba aSqaa8qacaqGXaaapaqabaGcpeWaaeWaa8aabaWdbiaadchaaiaawI cacaGLPaaaa8aabaWdbiaadAeapaWaaSbaaSqaa8qacaqGYaaapaqa baGcpeWaaeWaa8aabaWdbiaadchaaiaawIcacaGLPaaaaaaacaGLOa GaayzkaaGaaiilaaaa@7F2A@

here the transfer functions are established

W 11 ( p )= Ξ 1 ( p )/ Ψ m ( p )= ν mi [ M 2 χ ij Ψ p 2 +γth( γl/2 ) ]/ A ij ; χ ij Ψ = s ij Ψ / S 0 ; MathType@MTEF@5@5@+= feaagKart1ev2aqatCvAUfeBSjuyZL2yd9gzLbvyNv2CaerbuLwBLn hiov2DGi1BTfMBaeXatLxBI9gBaerbujxzIv3yOvgDG00uaerbd9wD YLwzYbItLDharqqtubsr4rNCHbGeaGqkY=MjYJH8sqFD0xXdHaVhbb f9v8qqaqFr0xc9pk0xbba9q8WqFfea0=yr0RYxir=Jbba9q8aq0=yq =He9q8qqQ8frFve9Fve9Ff0dmeaabaqaciGacaGaaeaadaabaeaafa aakeaaqaaaaaaaaaWdbiaadEfapaWaaSbaaSqaa8qacaqGXaGaaeym aaWdaeqaaOWdbmaabmaapaqaa8qacaWGWbaacaGLOaGaayzkaaGaey ypa0JaeuONdG1damaaBaaaleaapeGaaeymaaWdaeqaaOWdbmaabmaa paqaa8qacaWGWbaacaGLOaGaayzkaaGaai4laiabfI6az9aadaWgaa WcbaWdbiaad2gaa8aabeaak8qadaqadaWdaeaapeGaamiCaaGaayjk aiaawMcaaiabg2da9iabe27aU9aadaWgaaWcbaWdbiaad2gacaWGPb aapaqabaGcpeWaamWaa8aabaWdbiaad2eapaWaaSbaaSqaa8qacaqG YaaapaqabaGcpeGaeq4Xdm2damaaDaaaleaapeGaamyAaiaadQgaa8 aabaWdbiabfI6azbaakiaadchapaWaaWbaaSqabeaapeGaaeOmaaaa kiabgUcaRiabeo7aNjaabshacaqGObWaaeWaa8aabaWdbiabeo7aNj aadYgacaGGVaGaaeOmaaGaayjkaiaawMcaaaGaay5waiaaw2faaiaa c+cacaWGbbWdamaaBaaaleaapeGaamyAaiaadQgaa8aabeaakiaacU dacaaMc8+dbiabeE8aJ9aadaqhaaWcbaWdbiaadMgacaWGQbaapaqa a8qacqqHOoqwaaGccqGH9aqpcaWGZbWdamaaDaaaleaapeGaamyAai aadQgaa8aabaWdbiabfI6azbaakiaac+cacaWGtbWdamaaBaaaleaa peGaaeimaaWdaeqaaOGaai4oaaaa@7E01@ A ij = M 1 M 2 ( χ ij Ψ ) 2 p 4 +{ ( M 1 + M 2 ) χ ij Ψ /[ c Ψ th( γl ) ] } p 3 +[ ( M 1 + M 2 ) χ ij Ψ α/th( γl )+1/ ( c Ψ ) 2 ] p 2 +2αp/ c Ψ + α 2 ; MathType@MTEF@5@5@+= feaagKart1ev2aqatCvAUfeBSjuyZL2yd9gzLbvyNv2CaerbuLwBLn hiov2DGi1BTfMBaeXatLxBI9gBaerbujxzIv3yOvgDG00uaerbd9wD YLwzYbItLDharqqtubsr4rNCHbGeaGqkY=MjYJH8sqFD0xXdHaVhbb f9v8qqaqFr0xc9pk0xbba9q8WqFfea0=yr0RYxir=Jbba9q8aq0=yq =He9q8qqQ8frFve9Fve9Ff0dmeaabaqaciGacaGaaeaadaabaeaafa aakeaaqaaaaaaaaaWdbiaadgeapaWaaSbaaSqaa8qacaWGPbGaamOA aaWdaeqaaOWdbiabg2da9iaad2eapaWaaSbaaSqaa8qacaqGXaaapa qabaGcpeGaamyta8aadaWgaaWcbaWdbiaabkdaa8aabeaak8qadaqa daWdaeaapeGaeq4Xdm2damaaDaaaleaapeGaamyAaiaadQgaa8aaba WdbiabfI6azbaaaOGaayjkaiaawMcaa8aadaahaaWcbeqaa8qacaqG YaaaaOGaamiCa8aadaahaaWcbeqaa8qacaqG0aaaaOGaey4kaSYaai Waa8aabaWdbmaabmaapaqaa8qacaWGnbWdamaaBaaaleaapeGaaeym aaWdaeqaaOWdbiabgUcaRiaad2eapaWaaSbaaSqaa8qacaqGYaaapa qabaaak8qacaGLOaGaayzkaaGaeq4Xdm2damaaDaaaleaapeGaamyA aiaadQgaa8aabaWdbiabfI6azbaakiaac+cadaWadaWdaeaapeGaam 4ya8aadaahaaWcbeqaa8qacqqHOoqwaaGccaqG0bGaaeiAamaabmaa paqaa8qacqaHZoWzcaWGSbaacaGLOaGaayzkaaaacaGLBbGaayzxaa aacaGL7bGaayzFaaGaamiCa8aadaahaaWcbeqaa8qacaqGZaaaaOGa ey4kaSYaamWaa8aabaWdbmaabmaapaqaa8qacaWGnbWdamaaBaaale aapeGaaeymaaWdaeqaaOWdbiabgUcaRiaad2eapaWaaSbaaSqaa8qa caqGYaaapaqabaaak8qacaGLOaGaayzkaaGaeq4Xdm2damaaDaaale aapeGaamyAaiaadQgaa8aabaWdbiabfI6azbaakiabeg7aHjaac+ca caqG0bGaaeiAamaabmaapaqaa8qacqaHZoWzcaWGSbaacaGLOaGaay zkaaGaey4kaSIaaeymaiaac+cadaqadaWdaeaapeGaam4ya8aadaah aaWcbeqaa8qacqqHOoqwaaaakiaawIcacaGLPaaapaWaaWbaaSqabe aapeGaaeOmaaaaaOGaay5waiaaw2faaiaadchapaWaaWbaaSqabeaa peGaaeOmaaaakiabgUcaRiaabkdacqaHXoqycaWGWbGaai4laiaado gapaWaaWbaaSqabeaapeGaeuiQdKfaaOGaey4kaSIaeqySde2damaa CaaaleqabaWdbiaabkdaaaGcpaGaai4oaaaa@990B@ W 21 ( p )= Ξ 2 ( p )/ Ψ m ( p )= ν mi [ M 1 χ ij Ψ p 2 +γth( γl/2 ) ]/ A ij ; MathType@MTEF@5@5@+= feaagKart1ev2aqatCvAUfeBSjuyZL2yd9gzLbvyNv2CaerbuLwBLn hiov2DGi1BTfMBaeXatLxBI9gBaerbujxzIv3yOvgDG00uaerbd9wD YLwzYbItLDharqqtubsr4rNCHbGeaGqkY=MjYJH8sqFD0xXdHaVhbb f9v8qqaqFr0xc9pk0xbba9q8WqFfea0=yr0RYxir=Jbba9q8aq0=yq =He9q8qqQ8frFve9Fve9Ff0dmeaabaqaciGacaGaaeaadaabaeaafa aakeaaqaaaaaaaaaWdbiaadEfapaWaaSbaaSqaa8qacaqGYaGaaeym aaWdaeqaaOWdbmaabmaapaqaa8qacaWGWbaacaGLOaGaayzkaaGaey ypa0JaeuONdG1damaaBaaaleaapeGaaeOmaaWdaeqaaOWdbmaabmaa paqaa8qacaWGWbaacaGLOaGaayzkaaGaai4laiabfI6az9aadaWgaa WcbaWdbiaad2gaa8aabeaak8qadaqadaWdaeaapeGaamiCaaGaayjk aiaawMcaaiabg2da9iabe27aU9aadaWgaaWcbaWdbiaad2gacaWGPb aapaqabaGcpeWaamWaa8aabaWdbiaad2eapaWaaSbaaSqaa8qacaqG XaaapaqabaGcpeGaeq4Xdm2damaaDaaaleaapeGaamyAaiaadQgaa8 aabaWdbiabfI6azbaakiaadchapaWaaWbaaSqabeaapeGaaeOmaaaa kiabgUcaRiabeo7aNjaabshacaqGObWaaeWaa8aabaWdbiabeo7aNj aadYgacaGGVaGaaeOmaaGaayjkaiaawMcaaaGaay5waiaaw2faaiaa c+cacaWGbbWdamaaBaaaleaapeGaamyAaiaadQgaa8aabeaakiaacU daaaa@6D8F@ W 12 ( p )= Ξ 1 ( p )/ F 1 ( p )= χ ij Ψ [ M 2 χ ij Ψ p 2 +γ/th( γl ) ]/ A ij ; MathType@MTEF@5@5@+= feaagKart1ev2aqatCvAUfeBSjuyZL2yd9gzLbvyNv2CaerbuLwBLn hiov2DGi1BTfMBaeXatLxBI9gBaerbujxzIv3yOvgDG00uaerbd9wD YLwzYbItLDharqqtubsr4rNCHbGeaGqkY=MjYJH8sqFD0xXdHaVhbb f9v8qqaqFr0xc9pk0xbba9q8WqFfea0=yr0RYxir=Jbba9q8aq0=yq =He9q8qqQ8frFve9Fve9Ff0dmeaabaqaciGacaGaaeaadaabaeaafa aakeaaqaaaaaaaaaWdbiaadEfapaWaaSbaaSqaa8qacaqGXaGaaeOm aaWdaeqaaOWdbmaabmaapaqaa8qacaWGWbaacaGLOaGaayzkaaGaey ypa0JaeuONdG1damaaBaaaleaapeGaaeymaaWdaeqaaOWdbmaabmaa paqaa8qacaWGWbaacaGLOaGaayzkaaGaai4laiaadAeapaWaaSbaaS qaa8qacaqGXaaapaqabaGcpeWaaeWaa8aabaWdbiaadchaaiaawIca caGLPaaacqGH9aqpcqGHsislcqaHhpWypaWaa0baaSqaa8qacaWGPb GaamOAaaWdaeaapeGaeuiQdKfaaOWaamWaa8aabaWdbiaad2eapaWa aSbaaSqaa8qacaqGYaaapaqabaGcpeGaeq4Xdm2damaaDaaaleaape GaamyAaiaadQgaa8aabaWdbiabfI6azbaakiaadchapaWaaWbaaSqa beaapeGaaeOmaaaakiabgUcaRiabeo7aNjaac+cacaqG0bGaaeiAam aabmaapaqaa8qacqaHZoWzcaWGSbaacaGLOaGaayzkaaaacaGLBbGa ayzxaaGaai4laiaadgeapaWaaSbaaSqaa8qacaWGPbGaamOAaaWdae qaaOGaai4oaaaa@6E51@ W 13 ( p )= Ξ 1 ( p )/ F 2 ( p )= W 22 ( p )= Ξ 2 ( p )/ F 1 ( p )=[ χ ij Ψ γ/sh( γl ) ]/ A ij ; MathType@MTEF@5@5@+= feaagKart1ev2aqatCvAUfeBSjuyZL2yd9gzLbvyNv2CaerbuLwBLn hiov2DGi1BTfMBaeXatLxBI9gBaerbujxzIv3yOvgDG00uaerbd9wD YLwzYbItLDharqqtubsr4rNCHbGeaGqkY=MjYJH8sqFD0xXdHaVhbb f9v8qqaqFr0xc9pk0xbba9q8WqFfea0=yr0RYxir=Jbba9q8aq0=yq =He9q8qqQ8frFve9Fve9Ff0dmeaabaqaciGacaGaaeaadaabaeaafa aakeaaqaaaaaaaaaWdbiaadEfapaWaaSbaaSqaa8qacaqGXaGaae4m aaWdaeqaaOWdbmaabmaapaqaa8qacaWGWbaacaGLOaGaayzkaaGaey ypa0JaeuONdG1damaaBaaaleaapeGaaeymaaWdaeqaaOWdbmaabmaa paqaa8qacaWGWbaacaGLOaGaayzkaaGaai4laiaadAeapaWaaSbaaS qaa8qacaqGYaaapaqabaGcpeWaaeWaa8aabaWdbiaadchaaiaawIca caGLPaaacqGH9aqpcaWGxbWdamaaBaaaleaapeGaaeOmaiaabkdaa8 aabeaak8qadaqadaWdaeaapeGaamiCaaGaayjkaiaawMcaaiabg2da 9iabf65ay9aadaWgaaWcbaWdbiaabkdaa8aabeaak8qadaqadaWdae aapeGaamiCaaGaayjkaiaawMcaaiaac+cacaWGgbWdamaaBaaaleaa peGaaeymaaWdaeqaaOWdbmaabmaapaqaa8qacaWGWbaacaGLOaGaay zkaaGaeyypa0ZaamWaa8aabaWdbiabeE8aJ9aadaqhaaWcbaWdbiaa dMgacaWGQbaapaqaa8qacqqHOoqwaaGccqaHZoWzcaGGVaGaae4Cai aabIgadaqadaWdaeaapeGaeq4SdCMaamiBaaGaayjkaiaawMcaaaGa ay5waiaaw2faaiaac+cacaWGbbWdamaaBaaaleaapeGaamyAaiaadQ gaa8aabeaakiaacUdaaaa@74E0@ W 23 ( p )= Ξ 2 ( p )/ F 2 ( p )= χ ij Ψ [ M 1 χ ij Ψ p 2 +γ/th( γl ) ]/ A ij ; MathType@MTEF@5@5@+= feaagKart1ev2aqatCvAUfeBSjuyZL2yd9gzLbvyNv2CaerbuLwBLn hiov2DGi1BTfMBaeXatLxBI9gBaerbujxzIv3yOvgDG00uaerbd9wD YLwzYbItLDharqqtubsr4rNCHbGeaGqkY=MjYJH8sqFD0xXdHaVhbb f9v8qqaqFr0xc9pk0xbba9q8WqFfea0=yr0RYxir=Jbba9q8aq0=yq =He9q8qqQ8frFve9Fve9Ff0dmeaabaqaciGacaGaaeaadaabaeaafa aakeaaqaaaaaaaaaWdbiaadEfapaWaaSbaaSqaa8qacaqGYaGaae4m aaWdaeqaaOWdbmaabmaapaqaa8qacaWGWbaacaGLOaGaayzkaaGaey ypa0JaeuONdG1damaaBaaaleaapeGaaeOmaaWdaeqaaOWdbmaabmaa paqaa8qacaWGWbaacaGLOaGaayzkaaGaai4laiaadAeapaWaaSbaaS qaa8qacaqGYaaapaqabaGcpeWaaeWaa8aabaWdbiaadchaaiaawIca caGLPaaacqGH9aqpcqGHsislcqaHhpWypaWaa0baaSqaa8qacaWGPb GaamOAaaWdaeaapeGaeuiQdKfaaOWaamWaa8aabaWdbiaad2eapaWa aSbaaSqaa8qacaqGXaaapaqabaGcpeGaeq4Xdm2damaaDaaaleaape GaamyAaiaadQgaa8aabaWdbiabfI6azbaakiaadchapaWaaWbaaSqa beaapeGaaeOmaaaakiabgUcaRiabeo7aNjaac+cacaqG0bGaaeiAam aabmaapaqaa8qacqaHZoWzcaWGSbaacaGLOaGaayzkaaaacaGLBbGa ayzxaaGaai4laiaadgeapaWaaSbaaSqaa8qacaWGPbGaamOAaaWdae qaaOGaai4oaaaa@6E54@ γ Ψ =γ=p/ c Ψ +α. MathType@MTEF@5@5@+= feaagKart1ev2aaatCvAUfeBSjuyZL2yd9gzLbvyNv2CaerbuLwBLn hiov2DGi1BTfMBaeXatLxBI9gBaerbujxzIv3yOvgDG00uaerbd9wD YLwzYbItLDharqqtubsr4rNCHbGeaGqkY=MjYJH8sqFD0xXdHaVhbb f9v8qqaqFr0xc9pk0xbba9q8WqFfea0=yr0RYxir=Jbba9q8aq0=yq =He9q8qqQ8frFve9Fve9Ff0dmeaabaqaciGacaGaaeaadaabaeaafa aakeaaqaaaaaaaaaWdbiabeo7aN9aadaahaaWcbeqaa8qacqqHOoqw aaGccqGH9aqpcqaHZoWzcqGH9aqpcaWGWbGaai4laiaadogapaWaaW baaSqabeaapeGaeuiQdKfaaOGaey4kaSIaeqySdeMaaiOlaaaa@4B49@

This transfer functions are used for the decision in the control systems for nanobionics.

Discussion

For the transition process in the steady end at inertial load the displacements of the longitudinal piezo engine are determined from the transfer functions in the form

ξ 1 ( )= d 33 U( M 2 +m/2 )/( M 1 + M 2 +m ), MathType@MTEF@5@5@+= feaagKart1ev2aqatCvAUfeBSjuyZL2yd9gzLbvyNv2CaerbuLwBLn hiov2DGi1BTfMBaeXatLxBI9gBaerbujxzIv3yOvgDG00uaerbd9wD YLwzYbItLDharqqtubsr4rNCHbGeaGqkY=MjYJH8sqFD0xXdHaVhbb f9v8qqaqFr0xc9pk0xbba9q8WqFfea0=yr0RYxir=Jbba9q8aq0=yq =He9q8qqQ8frFve9Fve9Ff0dmeaabaqaciGacaGaaeaadaabaeaafa aakeaaqaaaaaaaaaWdbiabe67a49aadaWgaaWcbaWdbiaabgdaa8aa beaak8qadaqadaWdaeaapeGaeyOhIukacaGLOaGaayzkaaGaeyypa0 Jaamiza8aadaWgaaWcbaWdbiaabodacaqGZaaapaqabaGcpeGaamyv amaabmaapaqaa8qacaWGnbWdamaaBaaaleaapeGaaeOmaaWdaeqaaO WdbiabgUcaRiaad2gacaGGVaGaaeOmaaGaayjkaiaawMcaaiaac+ca daqadaWdaeaapeGaamyta8aadaWgaaWcbaWdbiaabgdaa8aabeaak8 qacqGHRaWkcaWGnbWdamaaBaaaleaapeGaaeOmaaWdaeqaaOWdbiab gUcaRiaad2gaaiaawIcacaGLPaaacaGGSaaaaa@57A5@ ξ 2 ( )= d 33 U( M 1 +m/2 )/( M 1 + M 2 +m ), MathType@MTEF@5@5@+= feaagKart1ev2aqatCvAUfeBSjuyZL2yd9gzLbvyNv2CaerbuLwBLn hiov2DGi1BTfMBaeXatLxBI9gBaerbujxzIv3yOvgDG00uaerbd9wD YLwzYbItLDharqqtubsr4rNCHbGeaGqkY=MjYJH8sqFD0xXdHaVhbb f9v8qqaqFr0xc9pk0xbba9q8WqFfea0=yr0RYxir=Jbba9q8aq0=yq =He9q8qqQ8frFve9Fve9Ff0dmeaabaqaciGacaGaaeaadaabaeaafa aakeaaqaaaaaaaaaWdbiabe67a49aadaWgaaWcbaWdbiaabkdaa8aa beaak8qadaqadaWdaeaapeGaeyOhIukacaGLOaGaayzkaaGaeyypa0 Jaamiza8aadaWgaaWcbaWdbiaabodacaqGZaaapaqabaGcpeGaamyv amaabmaapaqaa8qacaWGnbWdamaaBaaaleaapeGaaeymaaWdaeqaaO WdbiabgUcaRiaad2gacaGGVaGaaeOmaaGaayjkaiaawMcaaiaac+ca daqadaWdaeaapeGaamyta8aadaWgaaWcbaWdbiaabgdaa8aabeaak8 qacqGHRaWkcaWGnbWdamaaBaaaleaapeGaaeOmaaWdaeqaaOWdbiab gUcaRiaad2gaaiaawIcacaGLPaaacaGGSaaaaa@57A5@ ξ 1 ( )+ ξ 2 ( )= d 33 U, MathType@MTEF@5@5@+= feaagKart1ev2aqatCvAUfeBSjuyZL2yd9gzLbvyNv2CaerbuLwBLn hiov2DGi1BTfMBaeXatLxBI9gBaerbujxzIv3yOvgDG00uaerbd9wD YLwzYbItLDharqqtubsr4rNCHbGeaGqkY=MjYJH8sqFD0xXdHaVhbb f9v8qqaqFr0xc9pk0xbba9q8WqFfea0=yr0RYxir=Jbba9q8aq0=yq =He9q8qqQ8frFve9Fve9Ff0dmeaabaqaciGacaGaaeaadaabaeaafa aakeaaqaaaaaaaaaWdbiabe67a49aadaWgaaWcbaWdbiaabgdaa8aa beaak8qadaqadaWdaeaapeGaeyOhIukacaGLOaGaayzkaaGaey4kaS IaeqOVdG3damaaBaaaleaapeGaaeOmaaWdaeqaaOWdbmaabmaapaqa a8qacqGHEisPaiaawIcacaGLPaaacqGH9aqpcaWGKbWdamaaBaaale aapeGaae4maiaabodaa8aabeaak8qacaWGvbGaaiilaaaa@4EA7@

here m,  M 1 , M 2 MathType@MTEF@5@5@+= feaagKart1ev2aqatCvAUfeBSjuyZL2yd9gzLbvyNv2CaerbuLwBLn hiov2DGi1BTfMBaeXatLxBI9gBaerbujxzIv3yOvgDG00uaerbd9wD YLwzYbItLDharqqtubsr4rNCHbGeaGqkY=MjYJH8sqFD0xXdHaVhbb f9v8qqaqFr0xc9pk0xbba9q8WqFfea0=yr0RYxir=Jbba9q8aq0=yq =He9q8qqQ8frFve9Fve9Ff0dmeaabaqaciGacaGaaeaadaabaeaafa aakeaaqaaaaaaaaaWdbiaad2gacaGGSaGaaiiOaiaad2eapaWaaSba aSqaa8qacaqGXaaapaqabaGcpeGaaiilaiaad2eapaWaaSbaaSqaa8 qacaqGYaaapaqabaaaaa@43B4@ are the masses of the piezo engine and the loads. For t the longitudinal PZT engine for m0 MathType@MTEF@5@5@+= feaagKart1ev2aqatCvAUfeBSjuyZL2yd9gzLbvyNv2CaerbuLwBLn hiov2DGi1BTfMBaeXatLxBI9gBaerbujxzIv3yOvgDG00uaerbd9wD YLwzYbItLDharqqtubsr4rNCHbGeaGqkY=MjYJH8sqFD0xXdHaVhbb f9v8qqaqFr0xc9pk0xbba9q8WqFfea0=yr0RYxir=Jbba9q8aq0=yq =He9q8qqQ8frFve9Fve9Ff0dmeaabaqaciGacaGaaeaadaabaeaafa aakeaaqaaaaaaaaaWdbiaad2gacqGHsgIRcaqGWaaaaa@3FF5@ and l/δ=1 MathType@MTEF@5@5@+= feaagKart1ev2aaatCvAUfeBSjuyZL2yd9gzLbvyNv2CaerbuLwBLn hiov2DGi1BTfMBaeXatLxBI9gBaerbujxzIv3yOvgDG00uaerbd9wD YLwzYbItLDharqqtubsr4rNCHbGeaGqkY=MjYJH8sqFD0xXdHaVhbb f9v8qqaqFr0xc9pk0xbba9q8WqFfea0=yr0RYxir=Jbba9q8aq0=yq =He9q8qqQ8frFve9Fve9Ff0dmeaabaqaciGacaGaaeaadaabaeaafa aakeaaqaaaaaaaaaWdbiaadYgacaGGVaGaeqiTdqMaeyypa0Jaaeym aaaa@4165@ at d 33 = 0.4 nm/V, MathType@MTEF@5@5@+= feaagKart1ev2aqatCvAUfeBSjuyZL2yd9gzLbvyNv2CaerbuLwBLn hiov2DGi1BTfMBaeXatLxBI9gBaerbujxzIv3yOvgDG00uaerbd9wD YLwzYbItLDharqqtubsr4rNCHbGeaGqkY=MjYJH8sqFD0xXdHaVhbb f9v8qqaqFr0xc9pk0xbba9q8WqFfea0=yr0RYxir=Jbba9q8aq0=yq =He9q8qqQ8frFve9Fve9Ff0dmeaabaqaciGacaGaaeaadaabaeaafa aakeaaqaaaaaaaaaWdbiaadsgapaWaaSbaaSqaa8qacaqGZaGaae4m aaWdaeqaaOWdbiabg2da9iaacckacaqGWaGaaeOlaiaabsdacaGGGc GaaeOBaiaab2gacaGGVaGaaeOvaiaacYcaaaa@48B2@ U=50 V, MathType@MTEF@5@5@+= feaagKart1ev2aqatCvAUfeBSjuyZL2yd9gzLbvyNv2CaerbuLwBLn hiov2DGi1BTfMBaeXatLxBI9gBaerbujxzIv3yOvgDG00uaerbd9wD YLwzYbItLDharqqtubsr4rNCHbGeaGqkY=MjYJH8sqFD0xXdHaVhbb f9v8qqaqFr0xc9pk0xbba9q8WqFfea0=yr0RYxir=Jbba9q8aq0=yq =He9q8qqQ8frFve9Fve9Ff0dmeaabaqaciGacaGaaeaadaabaeaafa aakeaaqaaaaaaaaaWdbiaadwfacqGH9aqpcaqG1aGaaeimaiaabcka caqGwbGaaeilaaaa@4259@ M 1 =0.5 kg MathType@MTEF@5@5@+= feaagKart1ev2aqatCvAUfeBSjuyZL2yd9gzLbvyNv2CaerbuLwBLn hiov2DGi1BTfMBaeXatLxBI9gBaerbujxzIv3yOvgDG00uaerbd9wD YLwzYbItLDharqqtubsr4rNCHbGeaGqkY=MjYJH8sqFD0xXdHaVhbb f9v8qqaqFr0xc9pk0xbba9q8WqFfea0=yr0RYxir=Jbba9q8aq0=yq =He9q8qqQ8frFve9Fve9Ff0dmeaabaqaciGacaGaaeaadaabaeaafa aakeaaqaaaaaaaaaWdbiaad2eapaWaaSbaaSqaa8qacaqGXaaapaqa baGcpeGaeyypa0Jaaeimaiaab6cacaqG1aGaaiiOaiaabUgacaqGNb aaaa@447B@ M 2 =2 kg MathType@MTEF@5@5@+= feaagKart1ev2aqatCvAUfeBSjuyZL2yd9gzLbvyNv2CaerbuLwBLn hiov2DGi1BTfMBaeXatLxBI9gBaerbujxzIv3yOvgDG00uaerbd9wD YLwzYbItLDharqqtubsr4rNCHbGeaGqkY=MjYJH8sqFD0xXdHaVhbb f9v8qqaqFr0xc9pk0xbba9q8WqFfea0=yr0RYxir=Jbba9q8aq0=yq =He9q8qqQ8frFve9Fve9Ff0dmeaabaqaciGacaGaaeaadaabaeaafa aakeaaqaaaaaaaaaWdbiaad2eapaWaaSbaaSqaa8qacaqGYaaapaqa baGcpeGaeyypa0JaaeOmaiaacckacaqGRbGaae4zaaaa@4315@ andwe obtain the steady parameters

ξ 1 ( )=16 nm, ξ 2 ( )=4 nm, ξ 1 ( )+ ξ 2 ( )=20 nm. MathType@MTEF@5@5@+= feaagKart1ev2aqatCvAUfeBSjuyZL2yd9gzLbvyNv2CaerbuLwBLn hiov2DGi1BTfMBaeXatLxBI9gBaerbujxzIv3yOvgDG00uaerbd9wD YLwzYbItLDharqqtubsr4rNCHbGeaGqkY=MjYJH8sqFD0xXdHaVhbb f9v8qqaqFr0xc9pk0xbba9q8WqFfea0=yr0RYxir=Jbba9q8aq0=yq =He9q8qqQ8frFve9Fve9Ff0dmeaabaqaciGacaGaaeaadaabaeaafa aakeaaqaaaaaaaaaWdbiabe67a49aadaWgaaWcbaWdbiaabgdaa8aa beaak8qadaqadaWdaeaapeGaeyOhIukacaGLOaGaayzkaaGaeyypa0 JaaeymaiaabAdacaqGGcGaaiOBaiaac2gacaGGSaGaaGPaVlabe67a 49aadaWgaaWcbaWdbiaabkdaa8aabeaak8qadaqadaWdaeaapeGaey OhIukacaGLOaGaayzkaaGaeyypa0JaaeinaiaacckacaqGUbGaaeyB aiaacYcacaaMc8UaeqOVdG3damaaBaaaleaapeGaaeymaaWdaeqaaO Wdbmaabmaapaqaa8qacqGHEisPaiaawIcacaGLPaaacqGHRaWkcqaH +oaEpaWaaSbaaSqaa8qacaqGYaaapaqabaGcpeWaaeWaa8aabaWdbi abg6HiLcGaayjkaiaawMcaaiabg2da9iaabkdacaqGWaGaaiiOaiaa ykW7caqGUbGaaeyBaiaac6caaaa@6BB8@

At the steady end of the transient process under inertial load, the displacements of the transverse piezo engine are determined in the form

ξ 1 ( )= d 31 U( l/δ )( M 2 +m/2 )/( M 1 + M 2 +m ), MathType@MTEF@5@5@+= feaagKart1ev2aaatCvAUfeBSjuyZL2yd9gzLbvyNv2CaerbuLwBLn hiov2DGi1BTfMBaeXatLxBI9gBaerbujxzIv3yOvgDG00uaerbd9wD YLwzYbItLDharqqtubsr4rNCHbGeaGqkY=MjYJH8sqFD0xXdHaVhbb f9v8qqaqFr0xc9pk0xbba9q8WqFfea0=yr0RYxir=Jbba9q8aq0=yq =He9q8qqQ8frFve9Fve9Ff0dmeaabaqaciGacaGaaeaadaabaeaafa aakeaaqaaaaaaaaaWdbiabe67a49aadaWgaaWcbaWdbiaabgdaa8aa beaak8qadaqadaWdaeaapeGaeyOhIukacaGLOaGaayzkaaGaeyypa0 Jaamiza8aadaWgaaWcbaWdbiaabodacaqGXaaapaqabaGcpeGaamyv amaabmaapaqaa8qacaWGSbGaai4laiabes7aKbGaayjkaiaawMcaam aabmaapaqaa8qacaWGnbWdamaaBaaaleaapeGaaeOmaaWdaeqaaOWd biabgUcaRiaad2gacaGGVaGaaeOmaaGaayjkaiaawMcaaiaac+cada qadaWdaeaapeGaamyta8aadaWgaaWcbaWdbiaabgdaa8aabeaak8qa cqGHRaWkcaWGnbWdamaaBaaaleaapeGaaeOmaaWdaeqaaOWdbiabgU caRiaad2gaaiaawIcacaGLPaaacaGGSaaaaa@5C93@ ξ 2 ( )= d 31 U( l/δ )( M 1 +m/2 )/( M 1 + M 2 +m ), MathType@MTEF@5@5@+= feaagKart1ev2aaatCvAUfeBSjuyZL2yd9gzLbvyNv2CaerbuLwBLn hiov2DGi1BTfMBaeXatLxBI9gBaerbujxzIv3yOvgDG00uaerbd9wD YLwzYbItLDharqqtubsr4rNCHbGeaGqkY=MjYJH8sqFD0xXdHaVhbb f9v8qqaqFr0xc9pk0xbba9q8WqFfea0=yr0RYxir=Jbba9q8aq0=yq =He9q8qqQ8frFve9Fve9Ff0dmeaabaqaciGacaGaaeaadaabaeaafa aakeaaqaaaaaaaaaWdbiabe67a49aadaWgaaWcbaWdbiaabkdaa8aa beaak8qadaqadaWdaeaapeGaeyOhIukacaGLOaGaayzkaaGaeyypa0 Jaamiza8aadaWgaaWcbaWdbiaabodacaqGXaaapaqabaGcpeGaamyv amaabmaapaqaa8qacaWGSbGaai4laiabes7aKbGaayjkaiaawMcaam aabmaapaqaa8qacaWGnbWdamaaBaaaleaapeGaaeymaaWdaeqaaOWd biabgUcaRiaad2gacaGGVaGaaeOmaaGaayjkaiaawMcaaiaac+cada qadaWdaeaapeGaamyta8aadaWgaaWcbaWdbiaabgdaa8aabeaak8qa cqGHRaWkcaWGnbWdamaaBaaaleaapeGaaeOmaaWdaeqaaOWdbiabgU caRiaad2gaaiaawIcacaGLPaaacaGGSaaaaa@5C93@ ξ 1 ( )+ ξ 2 ( )= d 31 U( l/δ ), MathType@MTEF@5@5@+= feaagKart1ev2aaatCvAUfeBSjuyZL2yd9gzLbvyNv2CaerbuLwBLn hiov2DGi1BTfMBaeXatLxBI9gBaerbujxzIv3yOvgDG00uaerbd9wD YLwzYbItLDharqqtubsr4rNCHbGeaGqkY=MjYJH8sqFD0xXdHaVhbb f9v8qqaqFr0xc9pk0xbba9q8WqFfea0=yr0RYxir=Jbba9q8aq0=yq =He9q8qqQ8frFve9Fve9Ff0dmeaabaqaciGacaGaaeaadaabaeaafa aakeaaqaaaaaaaaaWdbiabe67a49aadaWgaaWcbaWdbiaabgdaa8aa beaak8qadaqadaWdaeaapeGaeyOhIukacaGLOaGaayzkaaGaey4kaS IaeqOVdG3damaaBaaaleaapeGaaeOmaaWdaeqaaOWdbmaabmaapaqa a8qacqGHEisPaiaawIcacaGLPaaacqGH9aqpcaWGKbWdamaaBaaale aapeGaae4maiaabgdaa8aabeaak8qacaWGvbWaaeWaa8aabaWdbiaa dYgacaGGVaGaeqiTdqgacaGLOaGaayzkaaGaaiilaaaa@5395@

here m,  M 1 , M 2 MathType@MTEF@5@5@+= feaagKart1ev2aqatCvAUfeBSjuyZL2yd9gzLbvyNv2CaerbuLwBLn hiov2DGi1BTfMBaeXatLxBI9gBaerbujxzIv3yOvgDG00uaerbd9wD YLwzYbItLDharqqtubsr4rNCHbGeaGqkY=MjYJH8sqFD0xXdHaVhbb f9v8qqaqFr0xc9pk0xbba9q8WqFfea0=yr0RYxir=Jbba9q8aq0=yq =He9q8qqQ8frFve9Fve9Ff0dmeaabaqaciGacaGaaeaadaabaeaafa aakeaaqaaaaaaaaaWdbiaad2gacaGGSaGaaiiOaiaad2eapaWaaSba aSqaa8qacaqGXaaapaqabaGcpeGaaiilaiaad2eapaWaaSbaaSqaa8 qacaqGYaaapaqabaaaaa@43B4@ are the masses of the piezo engine and the loads. For the transverse PZT engine for m0 MathType@MTEF@5@5@+= feaagKart1ev2aqatCvAUfeBSjuyZL2yd9gzLbvyNv2CaerbuLwBLn hiov2DGi1BTfMBaeXatLxBI9gBaerbujxzIv3yOvgDG00uaerbd9wD YLwzYbItLDharqqtubsr4rNCHbGeaGqkY=MjYJH8sqFD0xXdHaVhbb f9v8qqaqFr0xc9pk0xbba9q8WqFfea0=yr0RYxir=Jbba9q8aq0=yq =He9q8qqQ8frFve9Fve9Ff0dmeaabaqaciGacaGaaeaadaabaeaafa aakeaaqaaaaaaaaaWdbiaad2gacqGHsgIRcaqGWaaaaa@3FF5@ and l/δ=10 MathType@MTEF@5@5@+= feaagKart1ev2aqatCvAUfeBSjuyZL2yd9gzLbvyNv2CaerbuLwBLn hiov2DGi1BTfMBaeXatLxBI9gBaerbujxzIv3yOvgDG00uaerbd9wD YLwzYbItLDharqqtubsr4rNCHbGeaGqkY=MjYJH8sqFD0xXdHaVhbb f9v8qqaqFr0xc9pk0xbba9q8WqFfea0=yr0RYxir=Jbba9q8aq0=yq =He9q8qqQ8frFve9Fve9Ff0dmeaabaqaciGacaGaaeaadaabaeaafa aakeaaqaaaaaaaaaWdbiaadYgacaGGVaGaaGPaVlabes7aKjabg2da 9iaabgdacaqGWaaaaa@43A4@ at d 31 = 0.2 nm/V, MathType@MTEF@5@5@+= feaagKart1ev2aqatCvAUfeBSjuyZL2yd9gzLbvyNv2CaerbuLwBLn hiov2DGi1BTfMBaeXatLxBI9gBaerbujxzIv3yOvgDG00uaerbd9wD YLwzYbItLDharqqtubsr4rNCHbGeaGqkY=MjYJH8sqFD0xXdHaVhbb f9v8qqaqFr0xc9pk0xbba9q8WqFfea0=yr0RYxir=Jbba9q8aq0=yq =He9q8qqQ8frFve9Fve9Ff0dmeaabaqaciGacaGaaeaadaabaeaafa aakeaaqaaaaaaaaaWdbiaadsgapaWaaSbaaSqaa8qacaqGZaGaaeym aaWdaeqaaOWdbiabg2da9iaacckacaqGWaGaaeOlaiaabkdacaGGGc GaaeOBaiaab2gacaGGVaGaaeOvaiaacYcaaaa@48AE@ U=50 V, MathType@MTEF@5@5@+= feaagKart1ev2aqatCvAUfeBSjuyZL2yd9gzLbvyNv2CaerbuLwBLn hiov2DGi1BTfMBaeXatLxBI9gBaerbujxzIv3yOvgDG00uaerbd9wD YLwzYbItLDharqqtubsr4rNCHbGeaGqkY=MjYJH8sqFD0xXdHaVhbb f9v8qqaqFr0xc9pk0xbba9q8WqFfea0=yr0RYxir=Jbba9q8aq0=yq =He9q8qqQ8frFve9Fve9Ff0dmeaabaqaciGacaGaaeaadaabaeaafa aakeaaqaaaaaaaaaWdbiaadwfacqGH9aqpcaqG1aGaaeimaiaabcka caqGwbGaaeilaaaa@4259@ M 1 =0.5 kg MathType@MTEF@5@5@+= feaagKart1ev2aqatCvAUfeBSjuyZL2yd9gzLbvyNv2CaerbuLwBLn hiov2DGi1BTfMBaeXatLxBI9gBaerbujxzIv3yOvgDG00uaerbd9wD YLwzYbItLDharqqtubsr4rNCHbGeaGqkY=MjYJH8sqFD0xXdHaVhbb f9v8qqaqFr0xc9pk0xbba9q8WqFfea0=yr0RYxir=Jbba9q8aq0=yq =He9q8qqQ8frFve9Fve9Ff0dmeaabaqaciGacaGaaeaadaabaeaafa aakeaaqaaaaaaaaaWdbiaad2eapaWaaSbaaSqaa8qacaqGXaaapaqa baGcpeGaeyypa0Jaaeimaiaab6cacaqG1aGaaiiOaiaabUgacaqGNb aaaa@447B@ and M 2 =2 kg MathType@MTEF@5@5@+= feaagKart1ev2aqatCvAUfeBSjuyZL2yd9gzLbvyNv2CaerbuLwBLn hiov2DGi1BTfMBaeXatLxBI9gBaerbujxzIv3yOvgDG00uaerbd9wD YLwzYbItLDharqqtubsr4rNCHbGeaGqkY=MjYJH8sqFD0xXdHaVhbb f9v8qqaqFr0xc9pk0xbba9q8WqFfea0=yr0RYxir=Jbba9q8aq0=yq =He9q8qqQ8frFve9Fve9Ff0dmeaabaqaciGacaGaaeaadaabaeaafa aakeaaqaaaaaaaaaWdbiaad2eapaWaaSbaaSqaa8qacaqGYaaapaqa baGcpeGaeyypa0JaaeOmaiaacckacaqGRbGaae4zaaaa@4315@ we obtain the steady parameters ξ 1 ( )=80 nm, MathType@MTEF@5@5@+= feaagKart1ev2aqatCvAUfeBSjuyZL2yd9gzLbvyNv2CaerbuLwBLn hiov2DGi1BTfMBaeXatLxBI9gBaerbujxzIv3yOvgDG00uaerbd9wD YLwzYbItLDharqqtubsr4rNCHbGeaGqkY=MjYJH8sqFD0xXdHaVhbb f9v8qqaqFr0xc9pk0xbba9q8WqFfea0=yr0RYxir=Jbba9q8aq0=yq =He9q8qqQ8frFve9Fve9Ff0dmeaabaqaciGacaGaaeaadaabaeaafa aakeaaqaaaaaaaaaWdbiabe67a49aadaWgaaWcbaWdbiaabgdaa8aa beaak8qadaqadaWdaeaapeGaeyOhIukacaGLOaGaayzkaaGaeyypa0 JaaeioaiaabcdacaqGGcGaaiOBaiaac2gacaGGSaaaaa@4891@ ξ 2 ( )=20 nm, ξ 1 ( )+ ξ 2 ( )=100 nm. MathType@MTEF@5@5@+= feaagKart1ev2aqatCvAUfeBSjuyZL2yd9gzLbvyNv2CaerbuLwBLn hiov2DGi1BTfMBaeXatLxBI9gBaerbujxzIv3yOvgDG00uaerbd9wD YLwzYbItLDharqqtubsr4rNCHbGeaGqkY=MjYJH8sqFD0xXdHaVhbb f9v8qqaqFr0xc9pk0xbba9q8WqFfea0=yr0RYxir=Jbba9q8aq0=yq =He9q8qqQ8frFve9Fve9Ff0dmeaabaqaciGacaGaaeaadaabaeaafa aakeaaqaaaaaaaaaWdbiabe67a49aadaWgaaWcbaWdbiaabkdaa8aa beaak8qadaqadaWdaeaapeGaeyOhIukacaGLOaGaayzkaaGaeyypa0 JaaeOmaiaabcdacaGGGcGaaeOBaiaab2gacaGGSaGaaGPaVlabe67a 49aadaWgaaWcbaWdbiaabgdaa8aabeaak8qadaqadaWdaeaapeGaey OhIukacaGLOaGaayzkaaGaey4kaSIaeqOVdG3damaaBaaaleaapeGa aeOmaaWdaeqaaOWdbmaabmaapaqaa8qacqGHEisPaiaawIcacaGLPa aacqGH9aqpcaqGXaGaaeimaiaabcdacaGGGcGaaGPaVlaab6gacaqG TbGaaiOlaaaa@5F63@

Let us consider the block diagram of a nano piezo engine at voltage control and distributed parameters with negative feedbacks from the direct piezo effect.11 For piezo engine at voltage control the electromechanical coupling coefficient has form

k mi = d mi / s ij E ε mk T . MathType@MTEF@5@5@+= feaagKart1ev2aqatCvAUfeBSjuyZL2yd9gzLbvyNv2CaerbuLwBLn hiov2DGi1BTfMBaeXatLxBI9gBaerbujxzIv3yOvgDG00uaerbd9wD YLwzYbItLDharqqtubsr4rNCHbGeaGqkY=MjYJH8sqFD0xXdHaVhbb f9v8qqaqFr0xc9pk0xbba9q8WqFfea0=yr0RYxir=Jbba9q8aq0=yq =He9q8qqQ8frFve9Fve9Ff0dmeaabaqaciGacaGaaeaadaabaeaafa aakeaaqaaaaaaaaaWdbiaadUgapaWaaSbaaSqaa8qacaWGTbGaamyA aaWdaeqaaOWdbiabg2da9iaadsgapaWaaSbaaSqaa8qacaWGTbGaam yAaaWdaeqaaOWdbiaac+cadaGcaaWdaeaapeGaam4Ca8aadaqhaaWc baWdbiaadMgacaWGQbaapaqaa8qacaWGfbaaaOGaeqyTdu2damaaDa aaleaapeGaamyBaiaadUgaa8aabaWdbiaadsfaaaaabeaakiaac6ca aaa@4E69@

Accordingly, the negative feedbacks from the direct piezo effect for block diagram at distributed parameters and voltage control of piezo engine on Figure 2 have the form

Figure 2 Block diagram nano piezo engine at voltage control and distributed parameters with negative feedbacks.

U Ξ ˙ a ( p )= d mi S 0 R δ s ij E Ξ a ( p ),a=1,2. MathType@MTEF@5@5@+= feaagKart1ev2aqatCvAUfeBSjuyZL2yd9gzLbvyNv2CaerbuLwBLn hiov2DGi1BTfMBaeXatLxBI9gBaerbujxzIv3yOvgDG00uaerbd9wD YLwzYbItLDharqqtubsr4rNCHbGeaGqkY=MjYJH8sqFD0xXdHaVhbb f9v8qqaqFr0xc9pk0xbba9q8WqFfea0=yr0RYxir=Jbba9q8aq0=yq =He9q8qqQ8frFve9Fve9Ff0dmeaabaqaciGacaGaaeaadaabaeaafa aakeaaqaaaaaaaaaWdbiaadwfapaWaaSbaaSqaa8qacuqHEoawpaGb aiaapeGaaeyyaaWdaeqaaOWdbmaabmaapaqaa8qacaWGWbaacaGLOa GaayzkaaGaeyypa0ZaaSaaa8aabaWdbiaadsgapaWaaSbaaSqaa8qa caWGTbGaamyAaaWdaeqaaOWdbiaadofapaWaaSbaaSqaa8qacaqGWa aapaqabaGcpeGaamOuaaWdaeaapeGaeqiTdqMaam4Ca8aadaqhaaWc baWdbiaadMgacaWGQbaapaqaa8qacaWGfbaaaaaak8aadaWfGaqaa8 qacqqHEoawaSWdaeqabaWdbiaackciaaGcpaWaaSbaaSqaa8qacaqG HbaapaqabaGcpeWaaeWaa8aabaWdbiaadchaaiaawIcacaGLPaaaca GGSaGaaGPaVlaabggacqGH9aqpcaqGXaGaaiilaiaaysW7caqGYaGa aiOlaaaa@5F4B@

Let us consider the block diagram of a nano piezo engine at voltage and current control with lumped parameters and negative feedback from the direct piezo effect.

For a piezo engine at one rigidly fixed face we have the block diagram with lumped parameters at voltage control on Figure 3 and at current control on Figure 4.

Figure 3 Block diagram piezo engine at voltage control and lumped parameters.

Figure 4 Block diagram piezo engine at current control and lumped parameters.

Accordingly, for a piezo engine at voltage and current control the coefficientequal coefficient11

k d = k r = d mi S 0 δ s ij Ψ , MathType@MTEF@5@5@+= feaagKart1ev2aqatCvAUfeBSjuyZL2yd9gzLbvyNv2CaerbuLwBLn hiov2DGi1BTfMBaeXatLxBI9gBaerbujxzIv3yOvgDG00uaerbd9wD YLwzYbItLDharqqtubsr4rNCHbGeaGqkY=MjYJH8sqFD0xXdHaVhbb f9v8qqaqFr0xc9pk0xbba9q8WqFfea0=yr0RYxir=Jbba9q8aq0=yq =He9q8qqQ8frFve9Fve9Ff0dmeaabaqaciGacaGaaeaadaabaeaafa aakeaaqaaaaaaaaaWdbiaadUgapaWaaSbaaSqaa8qacaWGKbaapaqa baGcpeGaeyypa0Jaam4Aa8aadaWgaaWcbaWdbiaadkhaa8aabeaak8 qacqGH9aqpdaWcaaWdaeaapeGaamiza8aadaWgaaWcbaWdbiaad2ga caWGPbaapaqabaGcpeGaam4ua8aadaWgaaWcbaWdbiaabcdaa8aabe aaaOqaa8qacqaH0oazcaWGZbWdamaaDaaaleaapeGaamyAaiaadQga a8aabaWdbiabfI6azbaaaaGccaGGSaaaaa@4FB0@

here  Ψ=E, D MathType@MTEF@5@5@+= feaagKart1ev2aqatCvAUfeBSjuyZL2yd9gzLbvyNv2CaerbuLwBLn hiov2DGi1BTfMBaeXatLxBI9gBaerbujxzIv3yOvgDG00uaerbd9wD YLwzYbItLDharqqtubsr4rNCHbGeaGqkY=MjYJH8sqFD0xXdHaVhbb f9v8qqaqFr0xc9pk0xbba9q8WqFfea0=yr0RYxir=Jbba9q8aq0=yq =He9q8qqQ8frFve9Fve9Ff0dmeaabaqaciGacaGaaeaadaabaeaafa aakeaaqaaaaaaaaaWdbiaacckacqqHOoqwcqGH9aqpcaWGfbGaaiil aiaacckacaWGebaaaa@4383@ upper indexes for the block diagrams: E - at voltage control, D - at current control.

The process of converting electrical energy into mechanical energy on the block diagrams are illustrated.

Conclusion

The block diagram of a nano piezo engine is determined for nanobionics. The block diagrams, matrix transfer function of a nano piezo engine are derived. This block diagrams of a nano-piezo engine are illustrated the process of converting electrical energy into mechanical energy, as opposed to Cady's and Mason's equivalent circuits. The numerical parameters of the piezo engine are determined. The block diagrams of the piezo engine with the back electromotive force at distributed and lumped parameters are derived for nanobionics.

Acknowledgments

None.

Funding

None.

Conflicts of interest

The author declares that there is no conflict of interest.

References

  1. Schultz J, Ueda J, Asada H. Cellular actuators. Butterworth-Heinemann Publisher, Oxford. 2017;382.
  2. Afonin SM. Absolute stability conditions for a system controlling the deformation of an elecromagnetoelastic transduser. Dokl Math. 2006;74(3):943–948.
  3. Uchino K. Piezoelectric actuator and ultrasonic motors. Boston, MA: Kluwer Academic Publisher. 1997;8:350.
  4. Afonin SM. Solution of the wave equation for the control of an elecromagnetoelastic transduser. Dokl Math. 2006;73(2):307–313.
  5. Afonin SM. Erratum to: Solution of the wave equation for the control of an elecromagnetoelastic transduser. Dokl Math. 2025;111:91.
  6. Cady WG. Piezoelectricity: An introduction to the theory and applications of electromechancial phenomena in crystals. McGraw-Hill Book Company, New York, London, 1946;806.
  7. Mason W, editor. Physical acoustics: Principles and methods. 1. Part A. Methods and devices. Academic Press, New York, 1964;515.
  8. Zhao C, Li Z, Xu F, et al. Design of a novel three-degree-of-freedom piezoelectric-driven micro-positioning platform with compact structure. Actuators. 2024;13(7):248.
  9. Zwillinger D. Handbook of differential equations. Academic Press, Boston, 1989;673.
  10. Afonin SM. Structural-parametric model and transfer functions of electroelastic actuator for nano- and microdisplacement. Chapter 9 in Piezoelectrics and Nanomaterials: Fundamentals, Developments and Applications. Ed. Parinov IA. Nova Science, New York. 2015;225–242.
  11. Afonin SM. Structural scheme of electroelastic engine micro and nano displacement for applied bionics and biomechanics. MOJ App Bio Biomech. 2025;9(1):1–4.
  12. Chang Q, Chen W, Zhang S, et al. Review on multiple-degree-of-freedom cross-scale piezoelectric actuation technology. Adv Intell Syst. 2024;6(6):2300780.
  13. Afonin SM. Structural-parametric model of electromagnetoelastic actuator for nanomechanics. Actuators. 2018;7(1):6.
  14. Afonin SM. Structural-parametric model and diagram of a multilayer electromagnetoelastic actuator for nanomechanics. Actuators. 2019;8(3):52.
  15. Afonin SM. Optimal control of a multilayer electroelastic engine with a longitudinal piezoeffect for nanomechatronics systems. Appl Syst Innov. 2020;3(4):53.
  16. Afonin SM. Coded сontrol of a sectional electroelastic engine for nanomechatronics systems. Appl Syst Innov. 2021;4(3):47.
  17. Afonin SM. Structural–parametric model electroelastic actuator nano- and microdisplacement of mechatronics systems for nanotechnology and ecology research. MOJ Eco Environ Sci. 2018;3(5):306‒309.
  18. Afonin SM. Deformation of electromagnetoelastic actuator for nano robotics system. Int Rob Auto J. 2020;6(2):84–86.
  19. Afonin SM. Piezo actuators for nanomedicine research. MOJ App Bio Biomech. 2019;3(2):56–57.
  20. Afonin SM. Structural scheme of electromagnetoelastic actuator for nano biomechanics. MOJ App Bio Biomech. 2021;5(2):36–39.
  21. Afonin SM. DAC electro elastic engine for nanomedicine. MOJ App Bio Biomech. 2024;8(1):38–40.
  22. Afonin SM. Multilayer and sectional nano piezo engine for applied bionics and biomechanics. MOJ App Bio Biomech. 2025;9(1):59–62.
  23. Shevtsov SN, Soloviev AN, Parinov IA, et al. Piezoelectric actuators and generators for energy harvesting. Research and Development. Springer, Switzerland, Cham. 2018;182.
  24. Akpinar M, Uzun B, Yayli MO. Dynamics of a piezoelectric restrained nanowire in an elactic matrix. Mech Solids. 2024;59(5): 2936–2959.
  25. Nalwa HS, editor. Encyclopedia of nanoscience and nanotechnology. USA: American Scientific Publishers. 25 Volumes. 2019.
Creative Commons Attribution License

©2025 Afonin. This is an open access article distributed under the terms of the, which permits unrestricted use, distribution, and build upon your work non-commercially.